>國家質量監督檢驗檢疫總局、中共中央宣傳部等單位
《關于開展2013年全國“質量月”活動的通知》
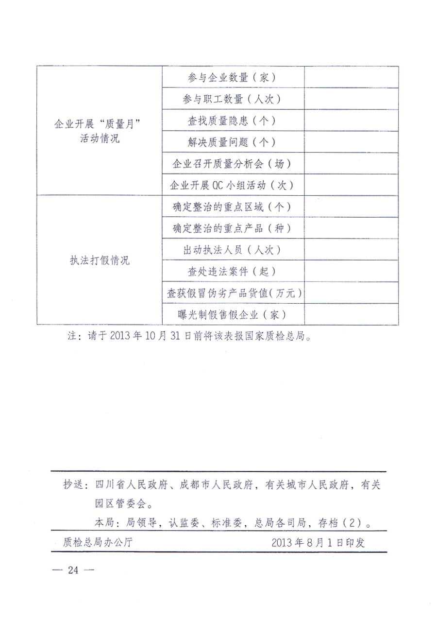
2013年07月31日 00:00????信息來源:國質檢質聯〔2013〕380號
























相關閱讀:
- 關于擬新建3項國家計量基準的公示(2024-12-10)
- 關于全國市場監管系統先進集體和先進工作者評選擬表彰名單的公示(2024-11-30)
- 市場監管總局辦公廳關于試行開展中國首臺(套)重大技術裝備檢測評審機構遴選工作的通知(2024-11-19)
- 市場監管總局辦公廳關于公布“計量促進新質生產力發展”優秀案例和典型案例的通知(2024-11-16)
- 市場監管總局關于印發《標準必要專利反壟斷指引》的通知(2024-11-09)
京公網安備 11010502043458號